Manifolds
FILTER
ISO 08
| Symbol | Main Code | Flow (l/min) |
Stack Height(mm) | Product Description |
|---|---|---|---|---|
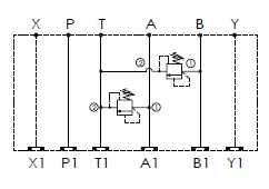
![]() |
MH08CDH-X-Y-Z 03 | 240 | 87.3 | A Port Control: 19A3 B Port Control: 19A3 Material: High-Strength Aluminum, Ductile Iron |
![]() |
MH08CDW-X-Y-Z 03 | 240 | 87.3 | A Port Control: 17A3 B Port Control: 17A3 Material: High-Strength Aluminum, Ductile Iron |
![]() |
MH08RAH-X-Y-Z 03 | 240 | 87.3 | A Port Control: 16A2 Material: High-Strength Aluminum, Ductile Iron |
![]() |
MH08RAH-X-Y-Z 03 | 240 | 87.3 | A Port Control: 16A2 Material: High-Strength Aluminum, Ductile Iron |
![]() |
MH08RDH-X-Y-Z 03 | 240 | 87.3 | A Port Control: 16A2 B Port Control: 16A2 Material: High-Strength Aluminum, Ductile Iron |
![]() |
MH08RDT-X-Y-Z 03 | 240 | 87.3 | A Port Control: 16A2 B Port Control: 16A2 Material: High-Strength Aluminum |






